

| Rated voltage | Type | Power of applicable motor(kW) | Rated output current(A) |
| Three phase AC 380V |
FG2000-0R7G-4 | 0.75 | 2.1 |
| FG2000-1R5G-4 | 1.5 | 3.8 | |
| FG2000-2R2G-4 | 2.2 | 5.1 | |
| FG2000-3R7G-4 | 3.7 | 9.0 | |
| FG2000-5R5G-4 | 5.5 | 13 | |
| FG2000-7R5G/011P-4 | 7.5 | 17 | |
| FG2000-011G/015P-4 | 11 | 25 | |
| FG2000-015G/18R5P-4 | 15 | 32 | |
| FG2000-18R5G/022P-4 | 18.5 | 37 | |
| FG2000-022G/030P-4 | 22 | 45 | |
| FG2000-030G/037P-4 | 30 | 60 | |
| FG2000-037G/045P-4 | 37 | 75 | |
| FG2000-045G/055P-4 | 45 | 90 | |
| FG2000-055G/075P-4 | 55 | 115 | |
| FG2000-075G/090P-4 | 75 | 150 | |
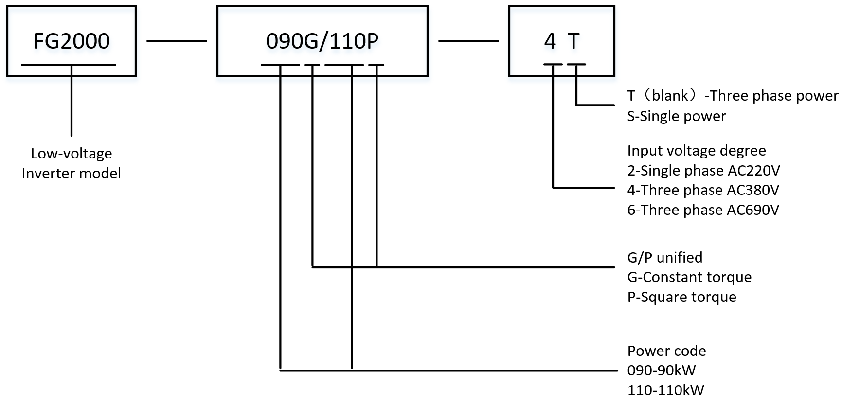
| FG2000-090G/110P-4 | 90 | 180 | |
| FG2000-110G/132P-4 | 110 | 220 | |
| FG2000-132G/160P-4 | 132 | 265 | |
| FG2000-160G/185P-4 | 160 | 310 | |
| FG2000-185G/200P-4 | 185 | 360 | |
| FG2000-200G/220P-4 | 200 | 380 | |
| FG2000-220G/250P-4 | 220 | 420 | |
| FG2000-250G/280P-4 | 250 | 470 | |
| FG2000-280G/315P-4 | 280 | 530 | |
| FG2000-315G/355P-4 | 315 | 600 | |
| FG2000-355G/400P-4 | 355 | 660 | |
| FG2000-400G/450P-4 | 400 | 740 | |
| Single phase AC 220V |
FG2000-0R4G-2S | 0.4 | 2.3 |
| FG2000-0R7G-2S | 0.75 | 4.0 | |
| FG2000-1R5G-2S | 1.5 | 7.0 | |
| FG2000-2R2G-2S | 2.2 | 9.6 |
| Rated voltage | Type | Power of applicable motor(kW) | Rated output current(A) |
Three phase AC 660V |
FG2000-045G/055P-6 | 45 | 50 |
| FG2000-055G/075P-6 | 55 | 60 | |
| FG2000-075G/090P-6 | 75 | 85 | |
| FG2000-090G/110P-6 | 90 | 100 | |
| FG2000-110G/132P-6 | 110 | 120 | |
| FG2000-132G/160P-6 | 132 | 145 | |
| FG2000-160G/185P-6 | 160 | 175 | |
| FG2000-185G/200P-6 | 185 | 200 | |
| FG2000-200G/220P-6 | 200 | 220 | |
| FG2000-220G/250P-6 | 220 | 240 | |
| FG2000-250G/280P-6 | 250 | 275 | |
| FG2000-280G/315P-6 | 280 | 305 | |
| FG2000-315G/355P-6 | 315 | 345 | |
| FG2000-355G/400P-6 | 355 | 390 | |
| FG2000-400G/450P-6 | 400 | 440 | |
| FG2000-450G/500P-6 | 450 | 490 | |
| FG2000-500G/560P-6 | 500 | 545 | |
| FG2000-560G/630P-6 | 560 | 610 | |
| FG2000-630G/710P-6 | 630 | 690 |
| Rated voltage | Type | Power of applicable motor(kW) | Rated output current(A) |
| Three phase AC 380V |
FG2000-0R7G-4 | 0.75 | 2.1 |
| FG2000-1R5G-4 | 1.5 | 3.8 | |
| FG2000-2R2G-4 | 2.2 | 5.1 | |
| FG2000-3R7G-4 | 3.7 | 9.0 | |
| FG2000-5R5G-4 | 5.5 | 13 | |
| FG2000-7R5G/011P-4 | 7.5 | 17 | |
| FG2000-011G/015P-4 | 11 | 25 | |
| FG2000-015G/18R5P-4 | 15 | 32 | |
| FG2000-18R5G/022P-4 | 18.5 | 37 | |
| FG2000-022G/030P-4 | 22 | 45 | |
| FG2000-030G/037P-4 | 30 | 60 | |
| FG2000-037G/045P-4 | 37 | 75 | |
| FG2000-045G/055P-4 | 45 | 90 | |
| FG2000-055G/075P-4 | 55 | 115 | |
| FG2000-075G/090P-4 | 75 | 150 | |
| FG2000-090G/110P-4 | 90 | 180 | |
| FG2000-110G/132P-4 | 110 | 220 | |
| FG2000-132G/160P-4 | 132 | 265 | |
| FG2000-160G/185P-4 | 160 | 310 | |
| FG2000-185G/200P-4 | 185 | 360 | |
| FG2000-200G/220P-4 | 200 | 380 | |
| FG2000-220G/250P-4 | 220 | 420 | |
| FG2000-250G/280P-4 | 250 | 470 | |
| FG2000-280G/315P-4 | 280 | 530 | |
| FG2000-315G/355P-4 | 315 | 600 | |
| FG2000-355G/400P-4 | 355 | 660 | |
| FG2000-400G/450P-4 | 400 | 740 | |
| Single phase AC 220V |
FG2000-0R4G-2S | 0.4 | 2.3 |
| FG2000-0R7G-2S | 0.75 | 4.0 | |
| FG2000-1R5G-2S | 1.5 | 7.0 | |
| FG2000-2R2G-2S | 2.2 | 9.6 |
| Rated voltage | Type | Power of applicable motor(kW) | Rated output current(A) |
Three phase AC 660V |
FG2000-045G/055P-6 | 45 | 50 |
| FG2000-055G/075P-6 | 55 | 60 | |
| FG2000-075G/090P-6 | 75 | 85 | |
| FG2000-090G/110P-6 | 90 | 100 | |
| FG2000-110G/132P-6 | 110 | 120 | |
| FG2000-132G/160P-6 | 132 | 145 | |
| FG2000-160G/185P-6 | 160 | 175 | |
| FG2000-185G/200P-6 | 185 | 200 | |
| FG2000-200G/220P-6 | 200 | 220 | |
| FG2000-220G/250P-6 | 220 | 240 | |
| FG2000-250G/280P-6 | 250 | 275 | |
| FG2000-280G/315P-6 | 280 | 305 | |
| FG2000-315G/355P-6 | 315 | 345 | |
| FG2000-355G/400P-6 | 355 | 390 | |
| FG2000-400G/450P-6 | 400 | 440 | |
| FG2000-450G/500P-6 | 450 | 490 | |
| FG2000-500G/560P-6 | 500 | 545 | |
| FG2000-560G/630P-6 | 560 | 610 | |
| FG2000-630G/710P-6 | 630 | 690 |